Product Summary
The BQ24103RHLR is a a highly intergrated Li-ion and Li-polymer switch-mode charge managment device targeted at a wide range of portable applications. It offers integrated synchronous PWM controller and power FETs, high-accuracy current and voltage regulation, charge preconditioning, charge status, and charge temination, in a smmal , themally enhanced QFN package.
Parametrics
Absolute maximum ratings: (1)Supply voltage range (with respect to VSS), IN, VCC: 20V; (2)Voltage difference between SNS and BAT inputs (VSNS - VBAT): ±1 V; (3)Output sink, STAT1, STAT2, PG: 10 mA; (4)Output current (average), OUT: 2.2 A; (5)TA, Operating free-air temperature range: –40℃ to 85℃; (6)TJ, Junction temperature range: –40℃ to 125℃; (7)Tstg, Storage temperature: –65℃ to 150℃; (8)Lead temperature 1,6 mm (1/16 inch) from case for 10 seconds: 300℃.
Features
Features: (1)ideal for highly efficient charger designs for single-, two- or three-cell Li-lon and LI-polymer battery packs; (2)intergrated power FETs for up to 2A charger rate; (3)high-accuracy voltage and current regulation; (4)available in both stand-alone and system-controlled versions; (5)20V maximum votlage rating on IN and OUT pins; (6)high-side current sensing; (7)optional battery temperature monitoring; (8)automatic sleep mode for low power consumption; (9)system-controlled version case be used in NiMH and NiCd applications; (10)uses ceramic capacitors.
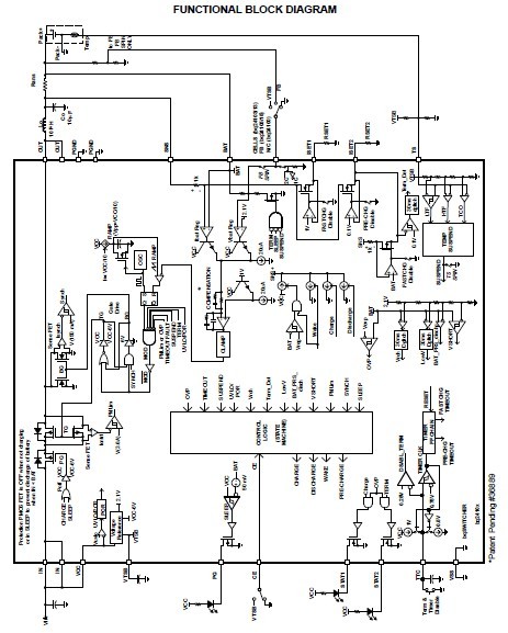
Diagrams

| Image | Part No | Mfg | Description | ![]() |
Pricing (USD) |
Quantity | ||||||||||||
|---|---|---|---|---|---|---|---|---|---|---|---|---|---|---|---|---|---|---|
![]() |
![]() BQ24103RHLR |
![]() Texas Instruments |
![]() Battery Management Sync Switch-Mode Li-Ion Charger |
![]() Data Sheet |
![]()
|
|
||||||||||||
![]() |
![]() BQ24103RHLRG4 |
![]() Texas Instruments |
![]() Battery Management Sync Switch-Mode Li-Ion Charger |
![]() Data Sheet |
![]() Negotiable |
|
||||||||||||
(China (Mainland))







